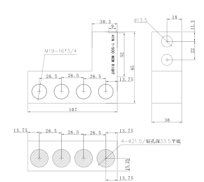
Instructions:
Two hole, front entrance,For copper or aluminum conductor,Body fabricated from high strength aluminum alloy extrusion
Lug is 100% reusable using hex wrench No special tools required,Maximum conductivity, compact design, light weight with ultimate strength.
Electro-tin plated to assure minimum contact resistance and protection aginst corrosion when used with copper wire,For added protection apply Penn-Union Cual-Aid® to cable before installation.
