Instructions:
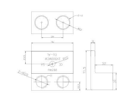
One hole, front entrance,or two copper or aluminum conductors,ody fabricated from high strength aluminum alloy extrusion
Lug is 100% reusable using hex wrench No special tools required,aximum conductivity, compact design, light weight with ultimate strength.
Electro-tin plated to assure minimum contact resistance and protection aginst corrosion when used with copper wire
For added protection apply Penn-Union Cual-Aid® to cable before installation.
